人脉络膜黑色素细胞完全培养基
|
|
|
- CAS号:
- 英文名:
- Human choroidal melanocyte complete medium
- 英文别名:
- 中文名:
- 人脉络膜黑色素细胞完全培养基
- 中文别名:
- 人脉络膜黑色素细胞完全培养基
- CBNumber:
- CB75530215
- 分子式:
- 分子量:
- 0
- MOL File:
- Mol file
|
|
|
人脉络膜黑色素细胞完全培养基性质、用途与生产工艺
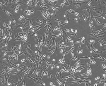
人脉络膜黑色素细胞完全培养基用于体外培养人脉络膜黑色素细胞,可以维持人脉络膜黑色素细胞的最佳生长状态。
基础培养基添加血清、抗生素等物质后,叫完全培养基,也叫(血清)细胞培养基。基础培养基只能维持细胞生存,要想使细胞生长和繁殖,还需添加天然培养基,常用的是牛血清,因为牛血清中含有促细胞增殖的各种生长因子和其他多种有利于细胞生存的物质。

人脉络膜黑色素细胞完全培养基
上下游产品信息
上游原料
下游产品